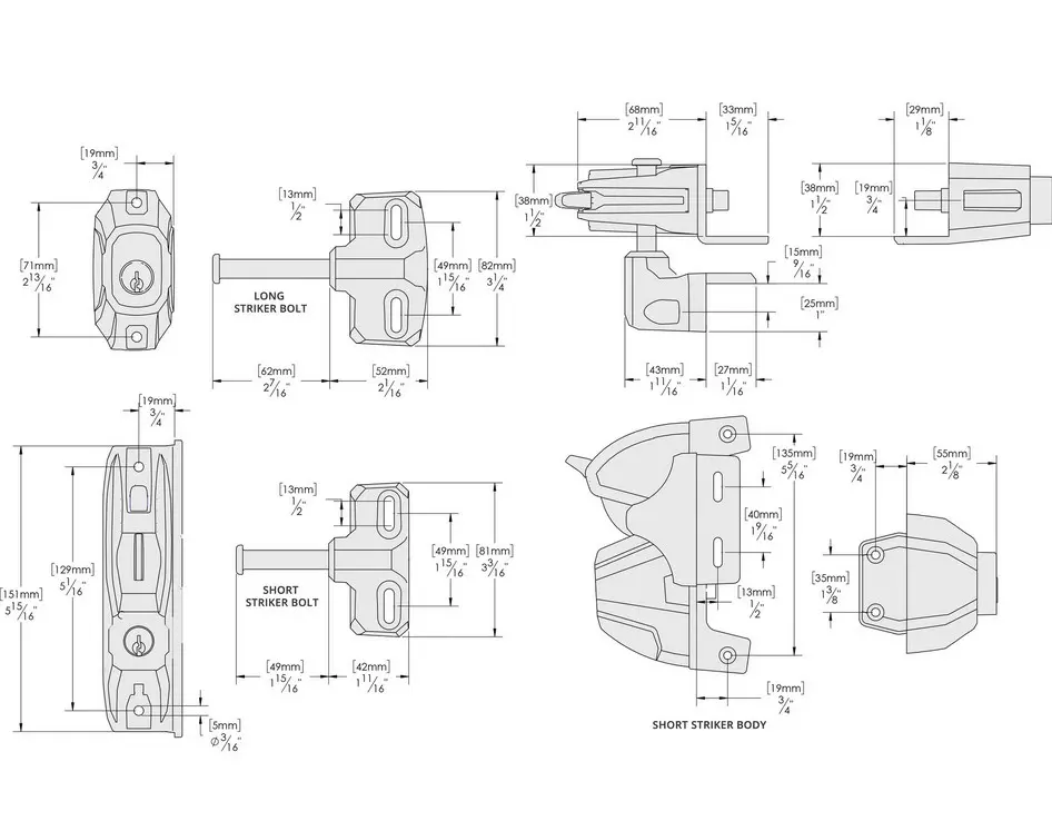
The Lokk Latch Deluxe Keyed Aliked is a high-quality gate latch designed for enhanced security and convenience. This latch allows for key-alike functionality, where multiple latches can be operated with the same key for added convenience and ease of use.
Features
- Operates and locks from both sides of the gate
- Re-keyable, 6-pin security locks
- Super-strong polymer construction with stainless steel components ensures no rust or corrosion
- Fully adjustable vertically and horizontally
- Fits posts up to 150mm deep
- One model fits all square posts and gate frames
.webp?unique=1c0f9a9)
.webp?unique=1c0f9a9)
.webp?unique=1c0f9a9)
.webp?unique=1c0f9a9)